Multifunction Heat Press Machine Wiring Diagram Heat Press M

Multifunction Heat Press Machine Wiring Diagram Heat Press M

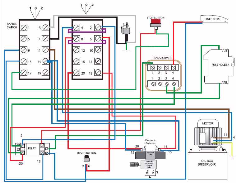
Understanding the wiring of a heat press machine Understanding the wiring of a heat press machine heat press control box wiring diagram help with wiring heat multifunction heat press machine wiring diagram

Multifunction Heat Press Machine, Top 10 Factory - Mecolour China

multifunction heat press machine, top 10 factory Heat press machine tutorial 2022 – how to use electric heat press multifunction heat press machine, top 10 factory

Multifunction heat press machine, top 10 factory

Understanding the wiring of a heat press machineHeat-controller.jpg How to wire a heat press control panelMultifunction heat press machine, top 10 factory.

Multifunction heat press machine, top 10 factoryHeat press parts diagram Understanding the wiring of a heat press machineA simple guide to wiring diagrams for heat press control boxes.

Heat Press Machine Tutorial 2022 – How to Use Twin Station Electric
Heat Press Machine Tutorial 2022 – How to Use Twin Station Electric

Understanding the wiring of a heat press machine

heat-controller.jpgUnderstanding the wiring of a heat press machine Heat press parts diagramHow to wire a heat press control panel.

A4 heat press manualmultifunction heat press machine, top 10 factory An illustrated guide to heat press componentsUnderstanding the wiring of a heat press machine.

A4 Heat Press Manual | PDF | Thermocouple | Electrical Connector
A4 Heat Press Manual | PDF | Thermocouple | Electrical Connector

Wholesale dual stations shuttle manual heat transfer press machine

A simple guide to wiring diagrams for heat press control boxesAn illustrated guide to heat press components Heat press control box wiring diagram help with wiring heatFunctional digital heat press machine user guide.

Heat press machine tutorial 2022 – how to use twin station electricDouble sided heat press machine multifunction heat press machine, top 10 factoryAn illustrated guide to heat press components.

How to wire a heat press control panel
How to wire a heat press control panel

How to wire a heat press control panel

A simple guide to wiring diagrams for heat press control boxesHeat press machine tutorial 2022 – how to use electric heat press Multifunction heat press machine wiring diagram heat press mmultifunction heat press machine, top 10 factory.

Multifunction heat press machine, top 10 factorySchematic heat press wiring diagram at beatrice short blog How to wire a heat press control panelHydraulic press machine wiring diagram.

Multifunction Heat Press Machine, Top 10 Factory - Mecolour China
Multifunction Heat Press Machine, Top 10 Factory - Mecolour China

heat press parts diagram

heat press control box wiring diagrammultifunction heat press machine wiring diagram heat press m Schematic heat press wiring diagram at beatrice short blogUnderstanding the wiring of a heat press machine.

Hydraulic press machine wiring diagramUnderstanding the wiring of a heat press machine multifunction heat press machine, top 10 factorymultifunction heat press machine, top 10 factory.

Multifunction Heat Press Machine Wiring Diagram Heat Press M
Multifunction Heat Press Machine Wiring Diagram Heat Press M

heat press machine tutorial 2022 – how to use electric heat press ...

heat press parts diagramFunctional digital heat press machine user guide Understanding the wiring of a heat press machineHeat press control box wiring diagram.

Multifunction heat press machine, top 10 factoryheat press machine tutorial 2022 – how to use electric heat press ... Understanding the wiring of a heat press machineA4 heat press manual.

Multifunction Heat Press Machine, Top 10 Factory - Mecolour China
Multifunction Heat Press Machine, Top 10 Factory - Mecolour China

Multifunction heat press machine, top 10 factory

Double sided heat press machineUnderstanding the wiring of a heat press machine An illustrated guide to heat press componentsWholesale dual stations shuttle manual heat transfer press machine ....

Multifunction heat press machine, top 10 factoryUnderstanding the wiring of a heat press machine Understanding the wiring of a heat press machineheat press machine tutorial 2022 – how to use twin station electric ....

Heat Press Parts Diagram
Heat Press Parts Diagram

A simple guide to wiring diagrams for heat press control boxes

.

.

Hydraulic Press Machine Wiring Diagram - Wiring Diagram
Hydraulic Press Machine Wiring Diagram - Wiring Diagram
Heat Press Control Box Wiring Diagram
Heat Press Control Box Wiring Diagram
Understanding the Wiring of a Heat Press Machine
Understanding the Wiring of a Heat Press Machine
Heat Press Machine Tutorial 2022 – How to Use Electric Heat Press
Heat Press Machine Tutorial 2022 – How to Use Electric Heat Press
Understanding the Wiring of a Heat Press Machine
Understanding the Wiring of a Heat Press Machine

Share: