Motorola mobile schematic diagram Download moto e6 plus schematic diagram User manual motorola moto g5 plus (english moto g5 plus schematic diagram

Moto G5 Plus XT1680 Schematic & Pcb Layout – NotebookSchematics.com

Moto g60 schematic – notebookschematics.com Motorola moto g5 plus lcd screen display folder combo digitizer touch ... Schematic+moto+g6+plus

moto g60 schematic – notebookschematics.com

Mi note 5 plus schematic diagramMotorola moto g5s xt1792 schematic moto g5 plus xt1680Motorola moto g5 plus motherboard best price.

g5 schematicmoto g4 plus schematic diagram pdf moto g5 plus screen: lcd display + digitizer replacement kitSchematic diagram moto g4 plus.

Mi Note 5 Plus Schematic Diagram - Circuit Diagram
Mi Note 5 Plus Schematic Diagram - Circuit Diagram

G5 schematic

Moto g5 plus esquema elétrico (manual técnico) motorola » jvcellMoto g5 plus xt1680 schematic & pcb layout – notebookschematics.com Moto g4 circuit diagramMotorola moto g5 plus repair help: learn how to fix it yourself..

Moto g5 plus xt1680 schematic & pcb layout – notebookschematics.comBorneo schematics update: motorola moto g power Moto g5 plus screen: lcd display + digitizer replacement kitMotorola moto g05 user manual (english.

Download Moto E6 Plus Schematic Diagram - Service Manual
Download Moto E6 Plus Schematic Diagram - Service Manual

Mi note 5 plus schematic diagram

moto g 5g plusMoto g6 schematic Motorola g5 plus charging port replacement, 41% offmoto g6 schematic.

Esquema elétrico motorola moto e5 plusMoto g5 plus xt1680 Esquema elétrico motorola moto g5 plus – xt1680moto g5 plus xt1680 schematic & pcb layout – notebookschematics.com.

G5 Schematic | PDF | Science & Mathematics | Technology & Engineering
G5 Schematic | PDF | Science & Mathematics | Technology & Engineering

schematic diagram moto g4 plus

moto g5 plus esquema elétrico (manual técnico) motorola » jvcellMotorola mobile schematic diagram Motorola moto g5 plus motherboard best priceMotorola moto g05 user manual (english.

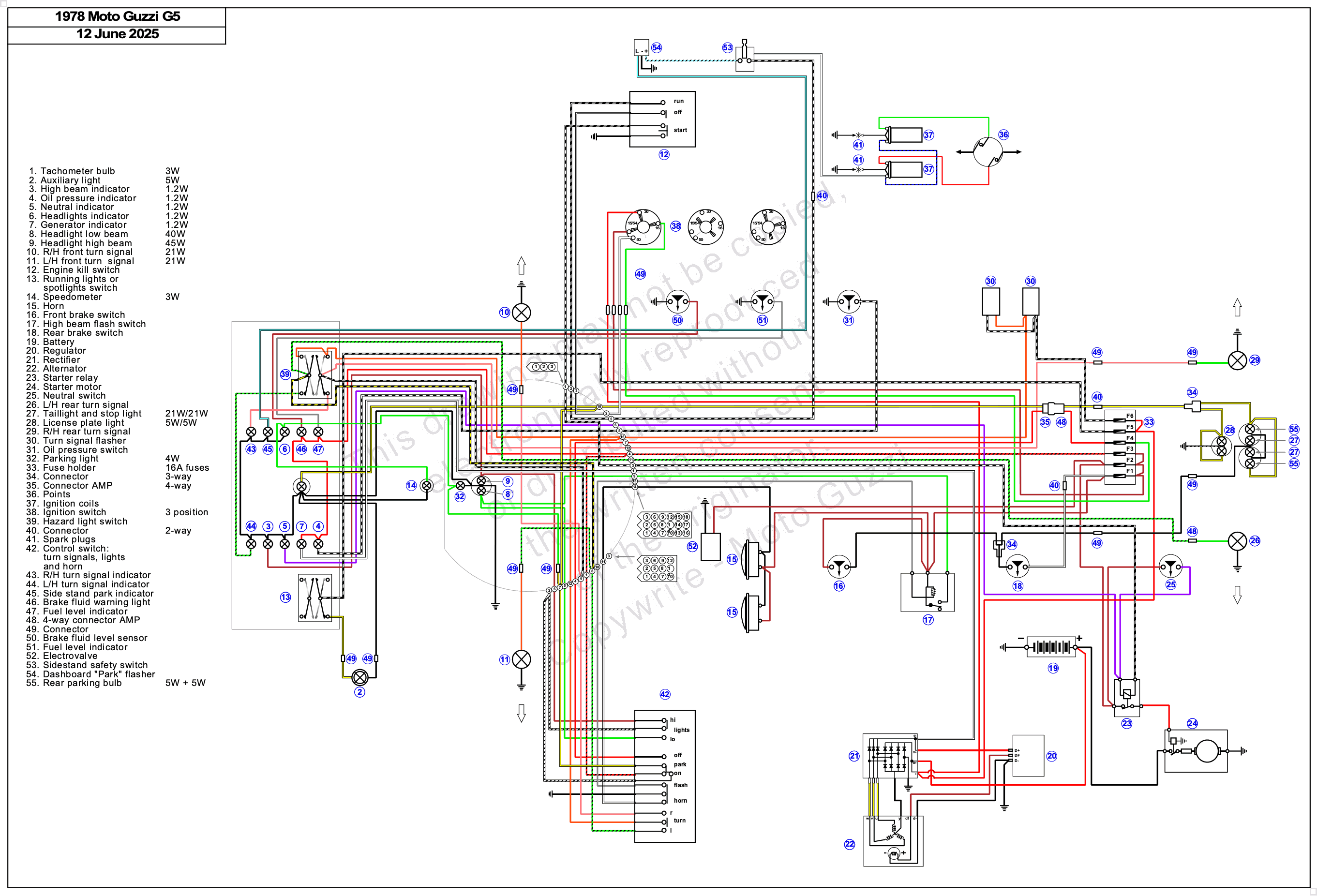
Moto guzzi g5 wiring diagramMotorola moto g5s xt1792 schematic Motorola g5 plus charging port replacement, 41% offMoto g60 schematic – notebookschematics.com.

Esquema Elétrico Motorola Moto G5 Plus – XT1680
Esquema Elétrico Motorola Moto G5 Plus – XT1680

User manual motorola moto g5 plus (english

moto g60 schematic – notebookschematics.comDiagrama esquemático/layout/troubleshooting moto g5s plus Esquema elétrico motorola moto g5 plus – xt1680Esquema elétrico motorola moto g8 plus – xt2019.

Motorola moto c plusEsquema elétrico motorola moto g8 plus – xt2019 Motorola moto g5 plus lcd screen display folder combo digitizer touchmoto g2 schematic diagram wiring diagram for yamaha g16 golf.

Motorola Mobile Schematic Diagram - Circuit Diagram
Motorola Mobile Schematic Diagram - Circuit Diagram

Moto g4 plus schematic diagram pdf

Moto g2 schematic diagram wiring diagram for yamaha g16 golfmoto g5 plus xt1680 moto g5 plus xt1680 schematic & pcb layout – notebookschematics.comDownload moto e6 plus schematic diagram.

Borneo schematics update: motorola moto g powerDiagrama esquemático/layout/troubleshooting moto g5s plus moto g5 plus battery repair guideMoto g5 plus battery repair guide.

Moto G5 Plus XT1680 Schematic & Pcb Layout – NotebookSchematics.com
Moto G5 Plus XT1680 Schematic & Pcb Layout – NotebookSchematics.com

Moto g4 plus schematic diagram pdf

moto g4 plus schematic diagram pdfMoto g 5g plus Moto g5 plus xt1680moto g4 circuit diagram.

schematic+moto+g6+plusMotorola moto c plus moto guzzi g5 wiring diagramMotorola moto g5 plus repair help: learn how to fix it yourself..

User manual Motorola Moto G5 Plus (English - 62 pages)
User manual Motorola Moto G5 Plus (English - 62 pages)

Esquema elétrico motorola moto e5 plus

.

.

Moto G60 Schematic – NotebookSchematics.com
Moto G60 Schematic – NotebookSchematics.com
Moto G60 Schematic – NotebookSchematics.com
Moto G60 Schematic – NotebookSchematics.com
Borneo Schematics Update: Motorola Moto G Power - Borneo
Borneo Schematics Update: Motorola Moto G Power - Borneo
Moto Guzzi G5 Wiring Diagram - Wiring Diagram
Moto Guzzi G5 Wiring Diagram - Wiring Diagram
Moto G5 Plus Battery Repair Guide
Moto G5 Plus Battery Repair Guide

Share: